Principe:
Conversion 2x35Vac→1x12Vac
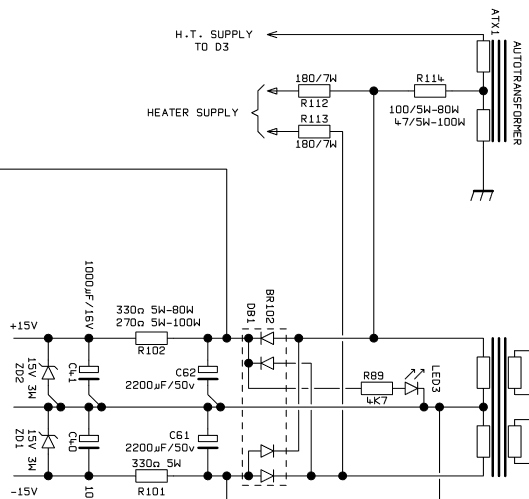
Schéma:
Stratégie pont symétrique comme expliqué ici.
Comme le filament est alimenté en AC, utiliser un MOSFET en ballast (résistance commandée) n'est pas l'idéal en fait.
Simu:
Pour 35Vac en entrée, avec un filament standard (~80 Ohms), ca fait 12.66Vac aux bornes du tube. C'est pile la recommandation datasheet…
= Dimensionnement des résistances = Si on prend les valeurs efficaces, P=RI²=180*(0.150)²=4W d'encaissé par résistance. Choisir 7W c'est suffisant? pas sur.
Pour moi c'est très mal margé, pour 3 raisons:
1) L'usage est de prendre au moins 100% de marge vis à vis des niveaux MAX (et non efficaces) pour du AC, 2) Lorsque le refroidissement n'est pas assuré, il vaut mieux prendre encore 100% de marge (boitier fermé) 3) Le transfo du 8080 date de 1991 et est donc dimensionné pour 220V et non 230V ==> la tension secondaire est
plus élevée (36.5V au lieu de 35V) ce qui fait que le tube est alimenté hors spec (il voit 13,23V) et que les résistances chauffent plus que prévu !
Si on fait les maths:
L'alim est en 2×36,5 Vac, ce qui donne en efficace un Vmax de 51,6V, qui voit donc 51,6-(12.66/2)=45,3V en crête.
En crête, P=U²/R=7,33W. Telles qu'elles sont, les résistances sont à peine dimensionnées pour encaisser la puissance crête de l'alim sur secteur 230V…
Il faudrait au moins de résistances de 10W pour être à l'aise,voir plus du genre:
Conclusion
L'alim heater est vraiment conçue à cout minimal, sans marge, et ca stresse à la fois le tube et les résistances.
La solution “sécu” c'est de passer à 220 Ohms 20W.
- Ca redescend la tension filament à 11.3V, ce qui est largement suffisant pour alimenter la grille en électrons et baisse le stress sur le filament du tube,
- ca réduit la puissance encaissée par les résistances de 14%,
- c'est la solution la plus simple et la moins chère…
